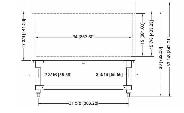
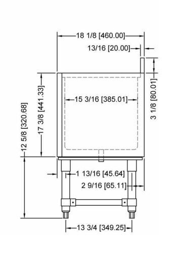
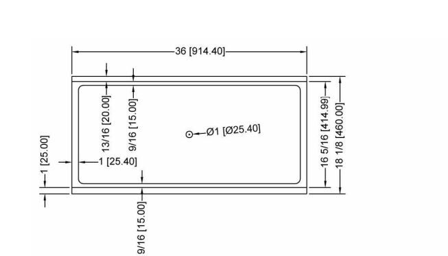
The EFI Underbar Ice Bin (Model SIIB1836D) is a robust and practical solution for commercial beverage service, designed to fit seamlessly under bar counters. With a 36-inch width and a 15-inch depth, this ice bin is constructed from 20-gauge Type 304 stainless steel, ensuring durability and resistance to corrosion. It features a 1-inch drain for efficient removal of melted ice water, along with galvanized steel legs that provide stability and support. The bin’s design includes a 3-inch backsplash to protect the bar area from spills, while its insulated construction helps maintain cold temperatures, reducing ice waste. This model is ideal for busy bars and restaurants, offering ample space for ice storage and easy access for bartenders.
Thank you for viewing our quality commercial restaurant equipment online at The Foodservice Equipment Depot. We are your trusted food equipment supply store in Canada based out of Calgary, AB. The FED has answers for your how-to’s, product guides, specifications, drawings, discount pricing and shipping questions. If you are wanting to buy used or new food equipment in stock at our warehouse, please contact us today for a quote.
EFI-SIIB1836D
Width 30.00 Inches
Depth 16.5 Inches
Height 13.5 Inches
Weight 42Lbs
Bin Depth 15.00 Inches
Drain Location Center
Drain Size 1 Inch
Gauge 20 Gauge
Material 304 Stainless Steel




