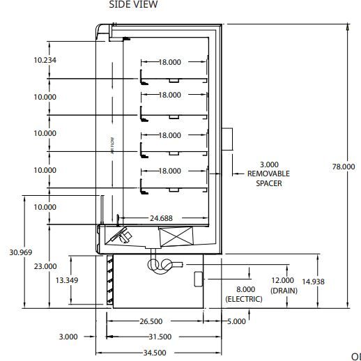
Dairy Open Merchandiser, 48″W, 78.5″H, self-contained refrigeration, (4) rows of lit shelves, LED lighting, straight plexi end panels, (drain required), black exterior & interior, lighted canopy, 3/4 HP, 115/208-230v/60/1-ph, 13.0 amps, cord & plug, NEMA L14-20P, cULus, UL EPH Classified, UL-Sanitation
Thank you for viewing our quality commercial restaurant equipment online at The Foodservice Equipment Depot. We are your trusted food equipment supply store in Canada based out of Calgary, AB. The FED has answers for your how-to’s, product guides, specifications, drawings, discount pricing and shipping questions. If you are wanting to buy used or new food equipment in stock at our warehouse, please contact us today for a quote.
Manufacturer Howard-McCray
Model Number SC-OD35E-48-B-LED
Weight 895 lbs
Refrigeration self-contained refrigeration
Exterior Finish black
Interior Finish black
Width 48″
Service Type self service
Display 4-tier of shelves
Design vertical case
Profile high
Special Features led lighting
Side Panel Type glass






